
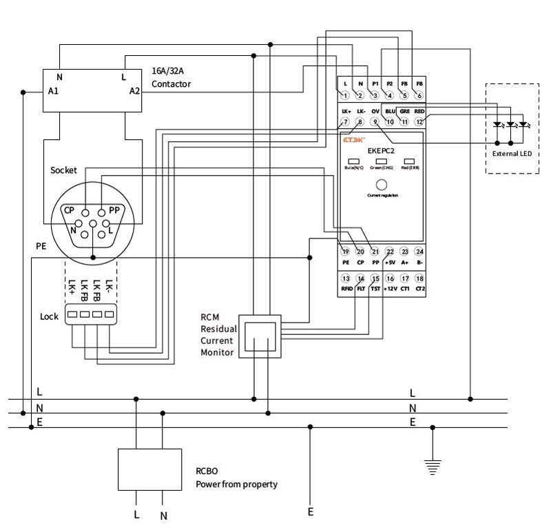
Control the communication of the electric vehicle AC charging process complies with IEC 61851 or SAEJ1772 standards.
Conform to DIN EN60715 installation requirements.
The output of the relay is used to connect the AC contactor that switches on/off the load.
The operating status of the EV interface is indicated by three-color LED lights.
The controller additional functions include: non-contact IC card connection module, DC leakage detection module (RCMU), RS485 communication interface equipment, plug lock device, external emergency stop button, etc.
These functions must be NOTED when ordering.


After connected on the working voltage, the controller starts to initialize (self - detection procedure on the RCMU module) and conduct self - detection function (LED cycle flashing), waiting for the car to connect. The controller waits for the charging cable and the vehicle connection (status A), and the LED keeps flashing blue light, and this process requires about 6s waiting. If this controller connected the matched cable (status B), LED becomes stable blue light (and opens the electromagnetic lock switch).
After the charging plug linkage, and if the vehicle is in state C, the controller keeps the P1/P2 closed (charger connected), the LED becomes stable green, and the EV starts into charging mode. If the display status D( requires ventilation), because the controller does not have the heat dissipation function, the controller puts the P1/P2 on (charger off) simultaneously (close the electromagnetic lock switch), the head interlock fails and the controller turns off the charging program, the LED becomes stable red.




1、Install the controller (a) vertically onto the horizontal DIN rail (b).
2、Rotate the controller down until the clip into the Din(Note: DIN rail accordance with German industrial standards)

